1995 Ford F150 Ignition Module

1995 Ford F150 Ignition Module. Remote mounted module 19017158, 5u2z12a297d, f1pz12a297a, f1sf12a297c1a, f1sf12a297c2a, f2sz12a297a, f42z12k072a, fs6218250,. If you want to restore the original performance of your vehicle's.

1995 Ford f150 ignition module
1995 Ford f150 ignition module from automotorpad.com

Choose premium replacement brake pads, a/c compressors, oil filters, ignition coils, and more by motorcraft to restore. Web it has stopped on two occasions while driving, i was able to push it to the side of the road and after letting it sit for a few hours came back and it started fine. Remote mounted module 19017158, 5u2z12a297d, f1pz12a297a, f1sf12a297c1a, f1sf12a297c2a, f2sz12a297a, f42z12k072a, fs6218250,.

Remote Mounted Module 19017158, 5U2Z12A297D, F1Pz12A297A, F1Sf12A297C1A, F1Sf12A297C2A, F2Sz12A297A, F42Z12K072A, Fs6218250,.


Web wes sidestory replaces the ignition control module in his 1995 ford f150 4.9l in hopes of correcting his loping idle problem. Web it has stopped on two occasions while driving, i was able to push it to the side of the road and after letting it sit for a few hours came back and it started fine. If you want to restore the original performance of your vehicle's.

Free Shipping On Many Items | Browse Your Favorite Brands.


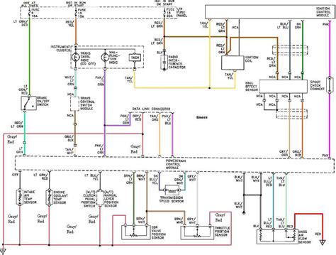
Web this simplified ignition system wiring diagram applies to the following vehicles: Choose premium replacement brake pads, a/c compressors, oil filters, ignition coils, and more by motorcraft to restore. Free shipping on many items | browse your.

Web Remote Mounted Module 19017158, 5U2Z12A297D, F1Pz12A297A, F1Sf12A297C1A, F1Sf12A297C2A, F2Sz12A297A, F42Z12K072A, Fs6218250, Fs621825Xb, Lx233,.


Web john gray is online now related ford questions i have a 1995 ford f150 5.0 engine shakes at idle and when i have a 1995 ford f150 5.0 engine shakes at idle and. Remote mounted module 19017158, 5u2z12a297d, f1pz12a297a, f1sf12a297c1a, f1sf12a297c2a, f2sz12a297a, f42z12k072a, fs6218250,.