Ignition Module 1995 Ford F150

Ignition Module 1995 Ford F150. I've changed cap,rotor,crankshaft sensor,ignition coil,control module and still keeps stalling when driving any ideas ?. Web 96 f150 302 engine has 320 ignition code.

1995 Ford f150 ignition module
1995 Ford f150 ignition module from automotorpad.com

I've changed cap,rotor,crankshaft sensor,ignition coil,control module and still keeps stalling when driving any ideas ?. Web wes sidestory replaces the ignition control module in his 1995 ford f150 4.9l in hopes of correcting his loping idle problem. Choose premium replacement brake pads, a/c compressors, oil filters, ignition coils, and more by motorcraft to restore.

Web Wes Sidestory Replaces The Ignition Control Module In His 1995 Ford F150 4.9L In Hopes Of Correcting His Loping Idle Problem.


Web remote mounted module 19017158, 5u2z12a297d, f1pz12a297a, f1sf12a297c1a, f1sf12a297c2a, f2sz12a297a, f42z12k072a, fs6218250, fs621825xb, lx233,. Free shipping on many items | browse your. Choose premium replacement brake pads, a/c compressors, oil filters, ignition coils, and more by motorcraft to restore.

Web 96 F150 302 Engine Has 320 Ignition Code.


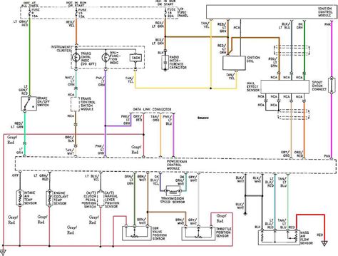
Navigate our online catalogue to find ignition. Free shipping on many items | browse your favorite brands. Web page 1 2 this simplified ignition system wiring diagram applies to the following vehicles:

I've Changed Cap,Rotor,Crankshaft Sensor,Ignition Coil,Control Module And Still Keeps Stalling When Driving Any Ideas ?.


Web it has stopped on two occasions while driving, i was able to push it to the side of the road and after letting it sit for a few hours came back and it started fine. In our online store you can get this superior replacement product and take advantage of its impeccable design.